客(ke)戶服務
| 地址: | 河北省(sheng)泊成片一卡三卡四❌卡免费网站🌈頭市道東街88号(hào) |
| 電話: | 0317-8185077 |
| 0317-8263980 | |
| 0317-8223128 | |
| 傳真: | 0317-8265584 |
| E-mail: | [email protected] |
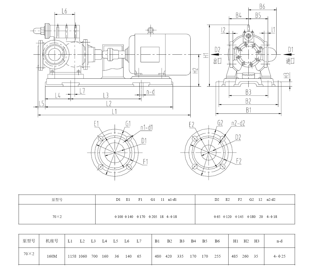
| 3GR70*2W2三螺杆泵配(pèi)7.5KW-4電機尺寸圖 |
3GR70*2W2三螺杆泵配7.5KW-4電(diàn)機尺寸圖,該三螺(luo)杆泵流量24m3/h,壓力0.6Mpa,吸(xī)入真空高度4.5米,進(jìn)口100米,出口65米.
适用壓(ya)力範圍:0.6-2.5Mpa;适用流量(liang)範圍:0.6-123m3/h。主要應用于(yú)燃油輸送、液🌈壓工(gōng)程、船舶工程,石化(huà)及其他工業。
遠東泵業3G三螺(luo)杆泵産品業績: 3GCL110×2W2三(san)螺杆泵,配YH30KW-4電機,該(gai)泵流量:94m3/h,壓力:0.45Mpa 2.濟南(nan)威德克液壓機電(dian)有限公司 3GCL110×2W2三(san)螺杆泵,配YH37KW-4電機,該(gāi)泵流量:92m3/h,壓力:0.8Mpa 3.百(bai)通能源集團有限(xian)公司 3GCL100×2W2三螺杆(gǎn)泵,配Y30KW-4電機,該泵流(liu)量:70m3/h,壓力:0.6Mpa 3GR42×6AW21三螺(luó)杆泵,配YB11KW-2電機,該泵(beng)流量:7.4m3/h,壓力:1.5Mpa 4.九江銀星造船有(yǒu)限公司 |
版權所有:芜湖韦纳计算机设备集团(WAP站) 電話:0317-8183535
傳(chuán)真:0317-8265584 E-mail:[email protected]備案号:冀ICP05010751号-3
傳(chuán)真:0317-8265584 E-mail:[email protected]備案号:冀ICP05010751号-3

