客戶服(fú)務
| 地址: | 河(he)北省泊頭市(shì)道灰姑娘社区免🔞费视频❌東街88号 |
| 電(dian)話: | 0317-8185077 |
| 0317-8263980 | |
| 0317-8223128 | |
| 傳真: | 0317-8265584 |
| E-mail: | [email protected] |
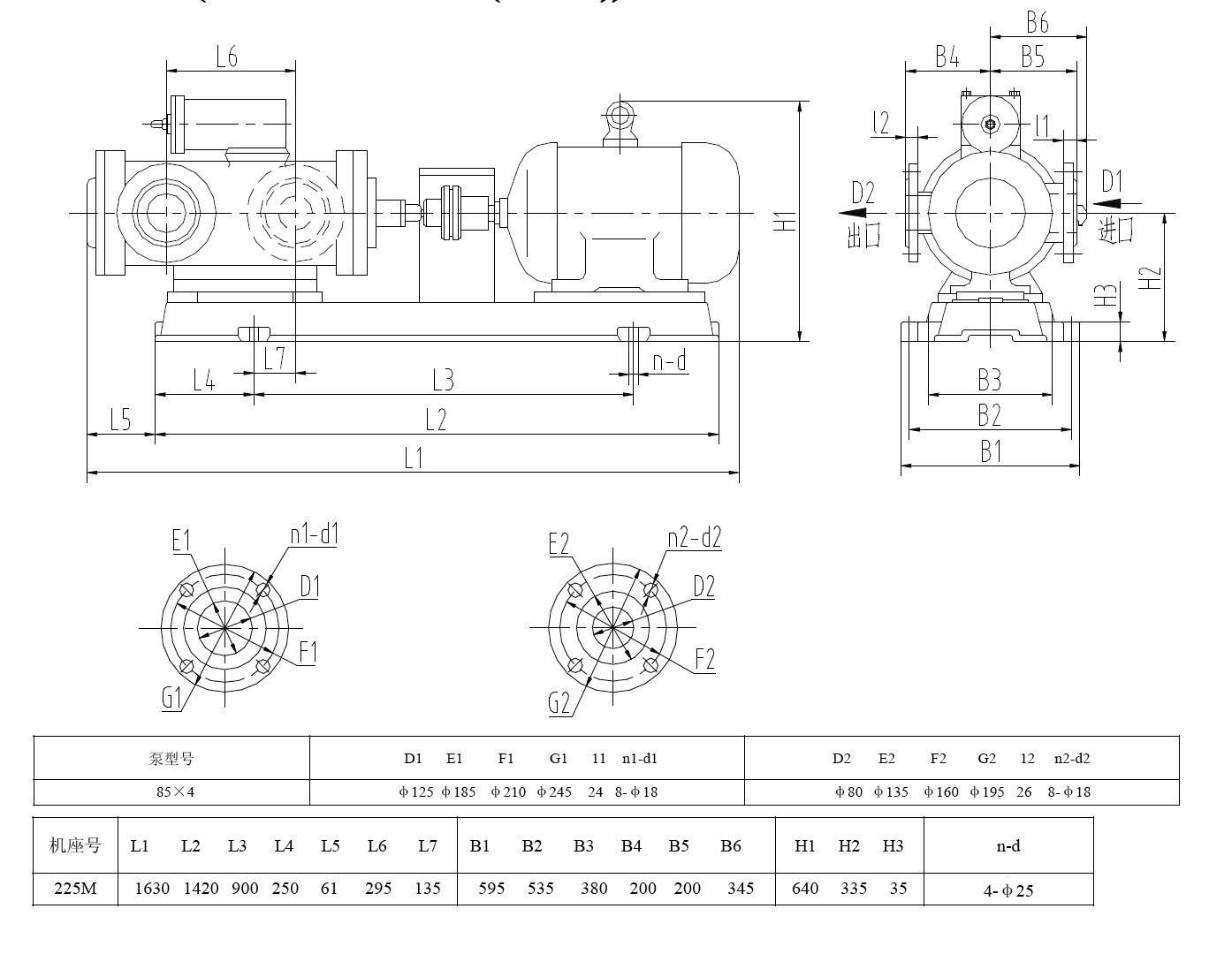
| 3GR85*4W21三螺杆(gan)泵配30kw-6電機尺(chǐ)寸圖 |
3GR85*4W21三螺杆泵配(pèi)30kw-6電機尺寸圖(tu),該泵流量25m3/h,壓(yā)力2.5Mpa,軸功率25.4kw,該(gai)泵進口125,出口(kou)80,泵重量為178kg |
版權所有:芜湖韦纳计算机设备集团(WAP站) 電(dian)話:0317-8183535
傳真:0317-8265584 E-mail:[email protected]備案(an)号:冀ICP05010751号-3
傳真:0317-8265584 E-mail:[email protected]備案(an)号:冀ICP05010751号-3

