客戶服(fú)務
| 地址: | 河(he)北省泊也🚩平凡电视剧在线观看免费完整版🌈頭市(shì)道東街88号 |
| 電(diàn)話: | 0317-8185077 |
| 0317-8263980 | |
| 0317-8223128 | |
| 傳真: | 0317-8265584 |
| E-mail: | [email protected] |
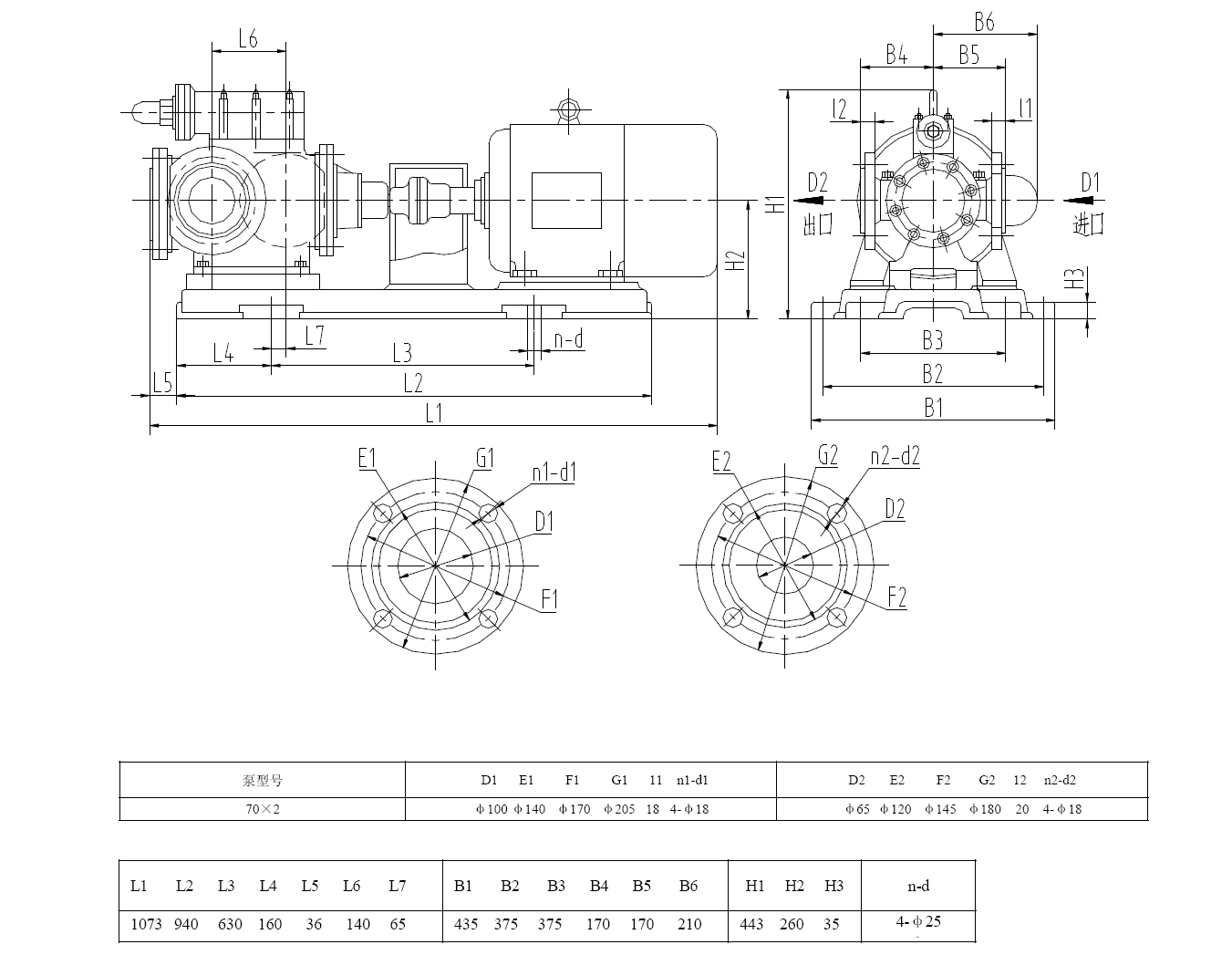
| 3GR70*2W2三螺杆(gan)泵配Y7.5KW-4安裝尺(chi)寸圖 |
3GR70*2W2三螺杆泵配(pei)Y7.5KW-4安裝尺寸圖(tu) |
版權所有(you):芜湖韦纳计算机设备集团(WAP站) 電話:0317-8183535
傳真:0317-8265584 E-mail:[email protected]備(bèi)案号:冀ICP05010751号-3
傳真:0317-8265584 E-mail:[email protected]備(bèi)案号:冀ICP05010751号-3

